Chào các anh/chị,
Gần đây e đang tìm hiểu về sha256 và cách thức nó hoạt động nhưng lại không có source code. E cũng đã tìm hiểu trên mạng nhưng tiếng anh không giỏi lắm, ngôn ngữ lập trình lại hạn chế, chủ yếu sơ sơ về C. Tài liệu trên mạng thì nhiều nên không biết tập trung vào đâu. Mong các ac cho e xin ý kiến về cách thức nó hoạt động hoặc là code của nó thì càng tốt ạ. E cảm ơn!
Sha256 source code
HI NKBao.
- Bạn tiếng Anh không giỏi lắm thì tự học đi.
- C sơ sơ thì học lên. Các thư viện viết bằng code C không dễ đọc nếu chỉ sơ sơ.
- Bạn tìm 1 thư viện kéo về build và băm thử xem có đúng không là biết nên tập trung vào dâu.
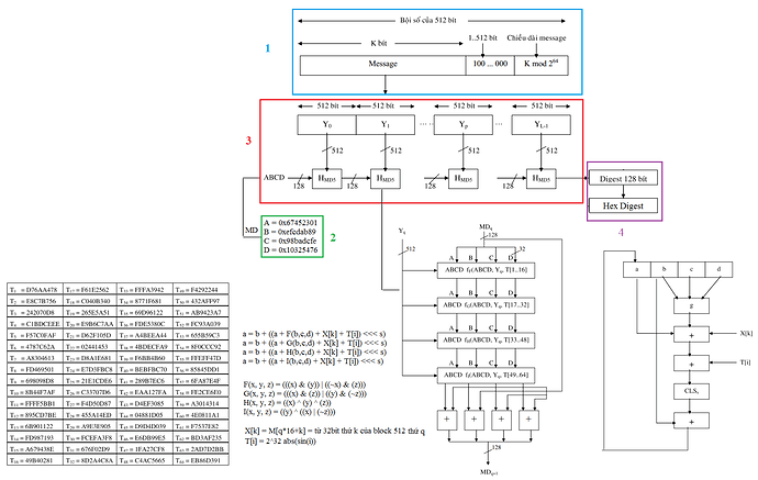
đây là bài tập môn an ninh mạng m vừa học tiếc là m lại làm về md5 chứ k phải sha256
tham khảo băm md5 1 chuỗi 
#define _CRT_SECURE_NO_WARNINGS
#include <iostream>
#include <string>
using namespace std;
#define S11 7
#define S12 12
#define S13 17
#define S14 22
#define S21 5
#define S22 9
#define S23 14
#define S24 20
#define S31 4
#define S32 11
#define S33 16
#define S34 23
#define S41 6
#define S42 10
#define S43 15
#define S44 21
#define F(x, y, z) (((x) & (y)) | ((~x) & (z)))
#define G(x, y, z) (((x) & (z)) | ((y) & (~z)))
#define H(x, y, z) ((x) ^ (y) ^ (z))
#define I(x, y, z) ((y) ^ ((x) | (~z)))
#define ROTATE_LEFT(x, n) (((x) << (n)) | ((x) >> (32-(n))))
#define FF(a, b, c, d, x, s, ac) { \
(a) += F((b), (c), (d)) + (x)+(unsigned long int)(ac); \
(a) = ROTATE_LEFT((a), (s)); \
(a) += (b); \
}
#define GG(a, b, c, d, x, s, ac) { \
(a) += G((b), (c), (d)) + (x)+(unsigned long int)(ac); \
(a) = ROTATE_LEFT((a), (s)); \
(a) += (b); \
}
#define HH(a, b, c, d, x, s, ac) { \
(a) += H((b), (c), (d)) + (x)+(unsigned long int)(ac); \
(a) = ROTATE_LEFT((a), (s)); \
(a) += (b); \
}
#define II(a, b, c, d, x, s, ac) { \
(a) += I((b), (c), (d)) + (x)+(unsigned long int)(ac); \
(a) = ROTATE_LEFT((a), (s)); \
(a) += (b); \
}
class md5{
private:
unsigned long int state[4];
unsigned long int count[2];
unsigned char buffer[64];
unsigned char digest[16];
string hashvalue;
void update(const unsigned char input[], unsigned int length){
unsigned int index = (count[0] >> 3) & 0x3F;
unsigned int partlen = 64 - index;
if ((count[0] += (length << 3)) < (length << 3)) count[1]++;
count[1] += (length >> 29);
unsigned int i;
if (length >= partlen){
memcpy(&buffer[index], input, partlen);
transform(buffer);
for (i = partlen; i + 63 <= length; i += 64) transform(&input[i]);
index = 0;
}
else i = 0;
memcpy(&buffer[index], &input[i], length - i);
}
void transform(const unsigned char block[64]){
unsigned long int a = state[0], b = state[1], c = state[2], d = state[3], x[16];
decode(x, block, 64);
// Round 1
FF(a, b, c, d, x[0], S11, 0xd76aa478); // 1
FF(d, a, b, c, x[1], S12, 0xe8c7b756); // 2
FF(c, d, a, b, x[2], S13, 0x242070db); // 3
FF(b, c, d, a, x[3], S14, 0xc1bdceee); // 4
FF(a, b, c, d, x[4], S11, 0xf57c0faf); // 5
FF(d, a, b, c, x[5], S12, 0x4787c62a); // 6
FF(c, d, a, b, x[6], S13, 0xa8304613); // 7
FF(b, c, d, a, x[7], S14, 0xfd469501); // 8
FF(a, b, c, d, x[8], S11, 0x698098d8); // 9
FF(d, a, b, c, x[9], S12, 0x8b44f7af); // 10
FF(c, d, a, b, x[10], S13, 0xffff5bb1); // 11
FF(b, c, d, a, x[11], S14, 0x895cd7be); // 12
FF(a, b, c, d, x[12], S11, 0x6b901122); // 13
FF(d, a, b, c, x[13], S12, 0xfd987193); // 14
FF(c, d, a, b, x[14], S13, 0xa679438e); // 15
FF(b, c, d, a, x[15], S14, 0x49b40821); // 16
// Round 2
GG(a, b, c, d, x[1], S21, 0xf61e2562); // 17
GG(d, a, b, c, x[6], S22, 0xc040b340); // 18
GG(c, d, a, b, x[11], S23, 0x265e5a51); // 19
GG(b, c, d, a, x[0], S24, 0xe9b6c7aa); // 20
GG(a, b, c, d, x[5], S21, 0xd62f105d); // 21
GG(d, a, b, c, x[10], S22, 0x2441453); // 22
GG(c, d, a, b, x[15], S23, 0xd8a1e681); // 23
GG(b, c, d, a, x[4], S24, 0xe7d3fbc8); // 24
GG(a, b, c, d, x[9], S21, 0x21e1cde6); // 25
GG(d, a, b, c, x[14], S22, 0xc33707d6); // 26
GG(c, d, a, b, x[3], S23, 0xf4d50d87); // 27
GG(b, c, d, a, x[8], S24, 0x455a14ed); // 28
GG(a, b, c, d, x[13], S21, 0xa9e3e905); // 29
GG(d, a, b, c, x[2], S22, 0xfcefa3f8); // 30
GG(c, d, a, b, x[7], S23, 0x676f02d9); // 31
GG(b, c, d, a, x[12], S24, 0x8d2a4c8a); // 32
// Round 3
HH(a, b, c, d, x[5], S31, 0xfffa3942); // 33
HH(d, a, b, c, x[8], S32, 0x8771f681); // 34
HH(c, d, a, b, x[11], S33, 0x6d9d6122); // 35
HH(b, c, d, a, x[14], S34, 0xfde5380c); // 36
HH(a, b, c, d, x[1], S31, 0xa4beea44); // 37
HH(d, a, b, c, x[4], S32, 0x4bdecfa9); // 38
HH(c, d, a, b, x[7], S33, 0xf6bb4b60); // 39
HH(b, c, d, a, x[10], S34, 0xbebfbc70); // 40
HH(a, b, c, d, x[13], S31, 0x289b7ec6); // 41
HH(d, a, b, c, x[0], S32, 0xeaa127fa); // 42
HH(c, d, a, b, x[3], S33, 0xd4ef3085); // 43
HH(b, c, d, a, x[6], S34, 0x4881d05); // 44
HH(a, b, c, d, x[9], S31, 0xd9d4d039); // 45
HH(d, a, b, c, x[12], S32, 0xe6db99e5); // 46
HH(c, d, a, b, x[15], S33, 0x1fa27cf8); // 47
HH(b, c, d, a, x[2], S34, 0xc4ac5665); // 48
// Round 4
II(a, b, c, d, x[0], S41, 0xf4292244); // 49
II(d, a, b, c, x[7], S42, 0x432aff97); // 50
II(c, d, a, b, x[14], S43, 0xab9423a7); // 51
II(b, c, d, a, x[5], S44, 0xfc93a039); // 52
II(a, b, c, d, x[12], S41, 0x655b59c3); // 53
II(d, a, b, c, x[3], S42, 0x8f0ccc92); // 54
II(c, d, a, b, x[10], S43, 0xffeff47d); // 55
II(b, c, d, a, x[1], S44, 0x85845dd1); // 56
II(a, b, c, d, x[8], S41, 0x6fa87e4f); // 57
II(d, a, b, c, x[15], S42, 0xfe2ce6e0); // 58
II(c, d, a, b, x[6], S43, 0xa3014314); // 59
II(b, c, d, a, x[13], S44, 0x4e0811a1); // 60
II(a, b, c, d, x[4], S41, 0xf7537e82);// 61
II(d, a, b, c, x[11], S42, 0xbd3af235); // 62
II(c, d, a, b, x[2], S43, 0x2ad7d2bb); // 63
II(b, c, d, a, x[9], S44, 0xeb86d391); // 64
state[0] += a;
state[1] += b;
state[2] += c;
state[3] += d;
memset(x, 0, sizeof(x));
}
void final(){
static unsigned char padding[64] = {0};
padding[0] = 0x80;
unsigned char bits[8];
encode(bits, count, 8);
unsigned int index = (count[0] >> 3) & 0x3F;
unsigned int padlen = (index < 56) ? (56 - index) : (120 - index);
update(padding, padlen);
update(bits, padlen);
encode(digest, state, 16);
memset(buffer, 0, sizeof(buffer));
memset(count, 0, sizeof (count));
}
void digest2hex(){
char buf[33];
for (int i = 0; i < 16; i++) sprintf(buf + i * 2, "%02x", digest[i]);
buf[32] = 0;
hashvalue = string(buf);
}
void decode(unsigned long int output[],const unsigned char input[], unsigned int length){
for (unsigned int i = 0, j = 0; j < length; i++, j += 4)
output[i] = ((unsigned long int)input[j]) | (((unsigned long int)input[j + 1]) << 8) |
(((unsigned long int)input[j + 2]) << 16) | (((unsigned long int)input[j + 3]) << 24);
}
void encode(unsigned char output[], unsigned long int input[], unsigned int length){
for (unsigned char i = 0, j = 0; j < length; i++, j += 4) {
output[j] = input[i] & 0xff;
output[j + 1] = (input[i] >> 8) & 0xff;
output[j + 2] = (input[i] >> 16) & 0xff;
output[j + 3] = (input[i] >> 24) & 0xff;
}
}
public:
md5(){
state[0] = 0x67452301;
state[1] = 0xefcdab89;
state[2] = 0x98badcfe;
state[3] = 0x10325476;
count[0] = count[1] = 0;
}
string hashmd5(const string &message){
update((unsigned char *)message.c_str(), message.length());
final();
digest2hex();
return hashvalue;
}
};
void main(){
string message;
cout << "Nhap thong diep ";
fflush(stdin);
getline(cin, message);
md5 gethash;
cout << "md5(" << message << ") = " << gethash.hashmd5(message) << endl;
system("pause");
}
1 Like
Thanks nha bạn : ))

83% thành viên diễn đàn không hỏi bài tập, còn bạn thì sao?